Recientemente, un compañero nos pidió ayuda para controlar la velocidad de un motor de 12V rescatado de la chatarra. Como su propósito es construir una pequeña máquina con diferentes funcionalidades, y tras contarnos cuales eran optamos por implementarle una placa de Arduino Pro Mini con la que realizar las funciones.
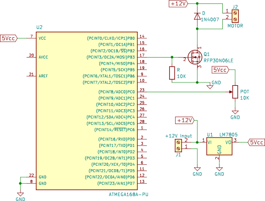
Con la placa elegida, implementamos un control mediante un sencillo MOSFET atacado por la señal PWM que generamos con el microcontrolador. Para dimensionar el MOSFET y la fuente de alimentación del equipo, necesitamos averiguar la corriente que demandará el motor a controlar y estimar el consumo del resto de elementos que puedan ser conectados al mismo. Ya que no disponíamos de referencia alguna con la que identificar el motor, lo conectamos directamente a una fuente de alimentación continua de 12V y 20A y mediante una pinza amperimétrica medimos la corriente que demandaba el motor.
Sabiendo ahora los valores de tensión y corriente del motor, elegimos el MOSFET RFP30N06LE y preparamos una fuente de alimentación de 12V y 5A para el montaje final.

El ancho de pulso de la señal PWM lo modificamos leyendo el valor de tensión que llega a una de las entradas analógicas del microcontrolador mediante un potenciómetro de 10K.
Como todo se trataba de un montaje rápido para prototipar, se utilizó placa uniprint en la que se ensamblaron los borneros de conexión de VCC y del motor, el regulador de alimentación de 5v para la placa Arduino, el MOSFET y las conexiones. Finalmente añadimos un conmutador SPDT para encender o apagar el equipo.


